Recent Posts

    Piping And Instrumentation Drawing Pid

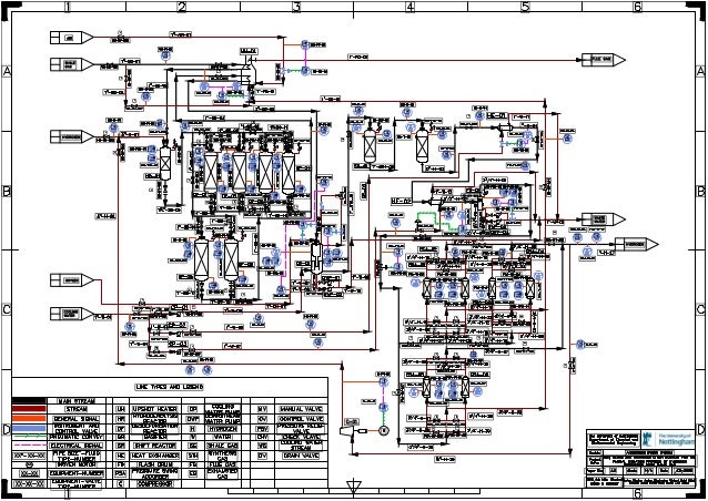
    A diagram which shows the interconnection of process equipment and the instrumentation used to control the process. A piping and instrumentation diagram pid is a drawing in the process industry.

    P Id Symbols Complete List Pdf Projectmaterials

    The p amp.

    Piping and instrumentation drawing pid. The symbology for the identification of the measurement and control instrumentation on the flow and process diagrams and on the pid piping instrument diagram commonly called pi piping instrumentation is generally compliant with the standard isa instrumentation society of automation identified as s5 that is composed of identification codes and graphic symbols. Piping and instrumentation drawing pid tutorials part 3 common to read and understand engineering fluid diagrams and prints usually referred to as pids an individual must be familiar with the basic symbols. A through knowledge of the information presented in the title block the revision block the notes and legend and the drawing grid is necessary before a drawing can be read.

    Examples are piping layout flowpaths pumps valves instruments signal modifiers and controllers as illustrated in figure 6. This information is displayed in the areas surrounding the graphic portion of the drawing. Piping and instrumentation drawing pid tutorials part 3 to read and understand engineering fluid diagrams and prints usually referred to as pids an individual must be familiar with the basic symbols.

    Downloadable pdf of valve actuator and other popular pid symbols. A piping and instrumentation diagram pid is defined as follows. A piping and instrumentation diagram pid is a graphic representation of a process system that includes the piping vessels control valves instrumentation and other process components and equipment in the system.

    The piping and instrumentation diagram pid is mostly used in the engineering field. A pid shows all piping including the physical sequence of branches reducers valves equipment instrumentation and control interlocks. Ids are usually made by engineers who need to design plan and construct a physical process for a plant.

    In the process industry a standard set of symbols is used to prepare drawings of processes. It also plays a crucial role in the design maintenance and change of the manufacturing process that it represents. Pid is the diagram which shows the interconnection of process equipment and the instrumentation used to control the process.

    Piping and instrument drawings pids pids are usually designed to present functional information about a system or component. Piping and instrumentation drawing pid tutorials part 1.

    Process And Instrumentation Drawing Example Piping And

    Piping And Instrumentation Diagram Drawing P Id Drawings

    1 3 Piping And Instrumentation Diagram P Id Diagrams For

    How To Read Piping And Instrumentation Diagram P Id Hindi

    Process And Instrument Drawing

    P Id And Common Abbreviation Instrumentation And Control Engineering

    Energies Free Full Text A Digitization And Conversion Tool For

    Piping Instrumentation Diagrams P Id Howland Companies

    What Is A P Id Diagram Plc Programming Courses For Beginners

    02 Group 3 P Id Piping And Instrumentation Diagrams

    Piping And Instrumentation Diagram P Id Showing Components

    Learn How To Read P Id Drawings A Complete Guide

    The Three Types Of Process Diagrams Lowflow Valve Fractional

    P Ids Piping Instrumentation Diagrams And P Id Valve Symbol

    Easily Learn What Is A Piping And Instrumentation Diagram P Id

    Piping And Instrumentation Diagram Development Moe Toghraei

    Piping And Instrumentation Documents Instrumentation Tools

    Piping Instrumentation Diagram What Is It

    Lab Facility Piping And Instrumentation Diagram P Id Download

    P Id Piping Instrumentation Data Not Drawing Eicad

    P Id And Pfd Drawing Symbols And Legend List Pfs Pefs

    Loop Drawing Instrument Transparent Png Clipart Free Download Ywd

    How To Read P Id Piping And Instrumentation Diagram


    0 Response to "Piping And Instrumentation Drawing Pid"

    Post a Comment

    Iklan Atas Artikel

    iframe sync

    Iklan Tengah Artikel 1

    iframe sync

    Iklan Tengah Artikel 2

    Iklan Bawah Artikel